Product Summary
The EP1S20F780C7N contains a two-dimensional row- and column-based architecture to implement custom logic. A series of column and row interconnects of varying length and speed provide signal interconnects between logic array blocks (LABs), memory block structures, and DSP blocks. The logic array consists of LABs, with 10 logic elements (LEs) in each LAB. An LE is a small unit of logic providing efficient implementation of user logic functions. LABs are grouped into rows and columns across the EP1S20F780C7N.
Parametrics
EP1S20F780C7N absolute maximum ratings: (1)VCCINT Supply voltage With respect to ground: –0.5 to 2.4 V; (2)VCCIO: –0.5 to 4.6 V; (3)VI DC input voltage: –0.5 to 4.6 V; (4)IOUT DC output current, per pin: –25 to 40 mA; (5)TSTG Storage temperature No bias: –65 to 150℃; (6)TJ Junction temperature BGA packages under bias: 135℃.
Features
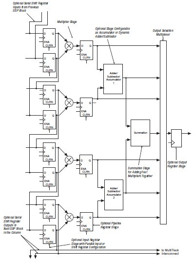
EP1S20F780C7N features: (1)10,570 to 79,040 LEs; (2)Up to 7,427,520 RAM bits (928,440 bytes) available without reducing logic resources; (3)TriMatrixTM memory consisting of three RAM block sizes to implement true dual-port memory and first-in first-out (FIFO)buffers; (4)High-speed DSP blocks provide dedicated implementation of multipliers (faster than 300 MHz), multiply-accumulate functions, and finite impulse response (FIR) filters; (5)Up to 16 global clocks with 22 clocking resources per device region; (6)Up to 12 PLLs (four enhanced PLLs and eight fast PLLs) per device; (7)provide spread spectrum, programmable bandwidth, clock switchover, real-time PLL reconfiguration, and advanced multiplication and phase shifting; (8)Support for numerous single-ended and differential I/O standards; (9)High-speed differential I/O support on up to 116 channels with up to 80 channels optimized for 840 megabits per second (Mbps); (10)Support for high-speed networking and communications bus standards including RapidIO, UTOPIA IV,CSIX, HyperTransportTM technology, 10G Ethernet XSBI, SPI-4 Phase 2 (POS-PHY Level 4), and SFI-4; (11)Differential on-chip termination support for LVDS.
Diagrams

| Image | Part No | Mfg | Description | ![]() |
Pricing (USD) |
Quantity | ||||||
|---|---|---|---|---|---|---|---|---|---|---|---|---|
![]() |
![]() EP1S20F780C7N |
![]() |
![]() IC STRATIX FPGA 20K LE 780-FBGA |
![]() Data Sheet |
![]()
|
|
||||||
| Image | Part No | Mfg | Description | ![]() |
Pricing (USD) |
Quantity | ||||||
![]() |
![]() EP1S |
![]() Other |
![]() |
![]() Data Sheet |
![]() Negotiable |
|
||||||
![]() |
![]() EP1S10 |
![]() Other |
![]() |
![]() Data Sheet |
![]() Negotiable |
|
||||||
![]() |
![]() EP1S10F484C5 |
![]() |
![]() IC STRATIX FPGA 10K LE 484-FBGA |
![]() Data Sheet |
![]()
|
|
||||||
![]() |
![]() EP1S10F484C5N |
![]() |
![]() IC STRATIX FPGA 10K LE 484-FBGA |
![]() Data Sheet |
![]()
|
|
||||||
![]() |
![]() EP1S10F484C6 |
![]() |
![]() IC STRATIX FPGA 10K LE 484-FBGA |
![]() Data Sheet |
![]()
|
|
||||||
![]() |
![]() EP1S10F484C6N |
![]() |
![]() IC STRATIX FPGA 10K LE 484-FBGA |
![]() Data Sheet |
![]()
|
|
||||||
(China (Mainland))











