Product Summary
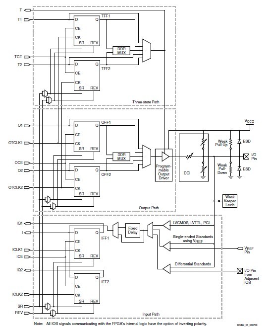
The XC3S200-5FTG256C is specifically designed to meet the needs of high volume, cost-sensitive consumer electronic applications. The eight-member family offers densities ranging from 50,000 to five million system gates. The XC3S200-5FTG256C builds on the success of the earlier Spartan-IIE family by increasing the amount of logic resources, the capacity of internal RAM, the total number of I/Os, and the overall level of performance as well as by improving clock management functions.
Parametrics
XC3S200-5FTG256C absolute maximum ratings: (1)VCCINT Internal supply voltage: min=-0.5V, max=1.32V; (2)VCCAUX Auxiliary supply voltage: min=-0.5V, max=3.00V; (3)VCCO Output driver supply voltage: min=-0.5V, max=3.75V; (4)VREF Input reference voltage: min=-0.5V, max=VCCO+0.5V; (5)TJ Junction temperature VCCO ≤ 3.0V: max=125 ℃; VCCO ≥ 3.0V: max=105 ℃; (6)TSOL Soldering temperature: max=220 ℃; (7)TSTG Storage temperature: min=-65 ℃, max=150 ℃.
Features
XC3S200-5FTG256C features: (1)Revolutionary 90-nanometer process technology; (2)Very low cost, high-performance logic solution for high-volume, consumer-oriented applications: Densities as high as 74,880 logic cells; 326 MHz system clock rate; Three power rails: for core (1.2V), I/Os (1.2V to 3.3V), and auxiliary purposes (2.5V); (3)Eight global clock lines and abundant routing; (4)Fully supported by Xilinx ISE development system: Synthesis, mapping, placement and routing; (5)MicroBlaze processor, PCI, and other cores.
Diagrams

| Image | Part No | Mfg | Description | ![]() |
Pricing (USD) |
Quantity | ||||||||||
|---|---|---|---|---|---|---|---|---|---|---|---|---|---|---|---|---|
![]() |
![]() XC3S200-5FTG256C |
![]() |
![]() SPARTAN-3A FPGA 200K 256-FTBGA |
![]() Data Sheet |
![]()
|
|
||||||||||
| Image | Part No | Mfg | Description | ![]() |
Pricing (USD) |
Quantity | ||||||||||
![]() |
![]() XC3S1000 |
![]() Other |
![]() |
![]() Data Sheet |
![]() Negotiable |
|
||||||||||
![]() |
![]() XC3S1000-4FG456I |
![]() |
![]() IC FPGA SPARTAN 3 456FBGA |
![]() Data Sheet |
![]()
|
|
||||||||||
![]() |
![]() XC3S1000-4FG676I |
![]() |
![]() IC FPGA SPARTAN 3 676FBGA |
![]() Data Sheet |
![]()
|
|
||||||||||
![]() |
![]() XC3S1000-4FGG320C |
![]() |
![]() SPARTAN-3A FPGA 1M STD 320-FBGA |
![]() Data Sheet |
![]()
|
|
||||||||||
![]() |
![]() XC3S1000-4FGG320I |
![]() |
![]() IC SPARTAN-3A FPGA 1M 320-FBGA |
![]() Data Sheet |
![]()
|
|
||||||||||
![]() |
![]() XC3S1000-4FGG456C |
![]() |
![]() IC SPARTAN-3 FPGA 1M 456-FBGA |
![]() Data Sheet |
![]()
|
|
||||||||||
(China (Mainland))










